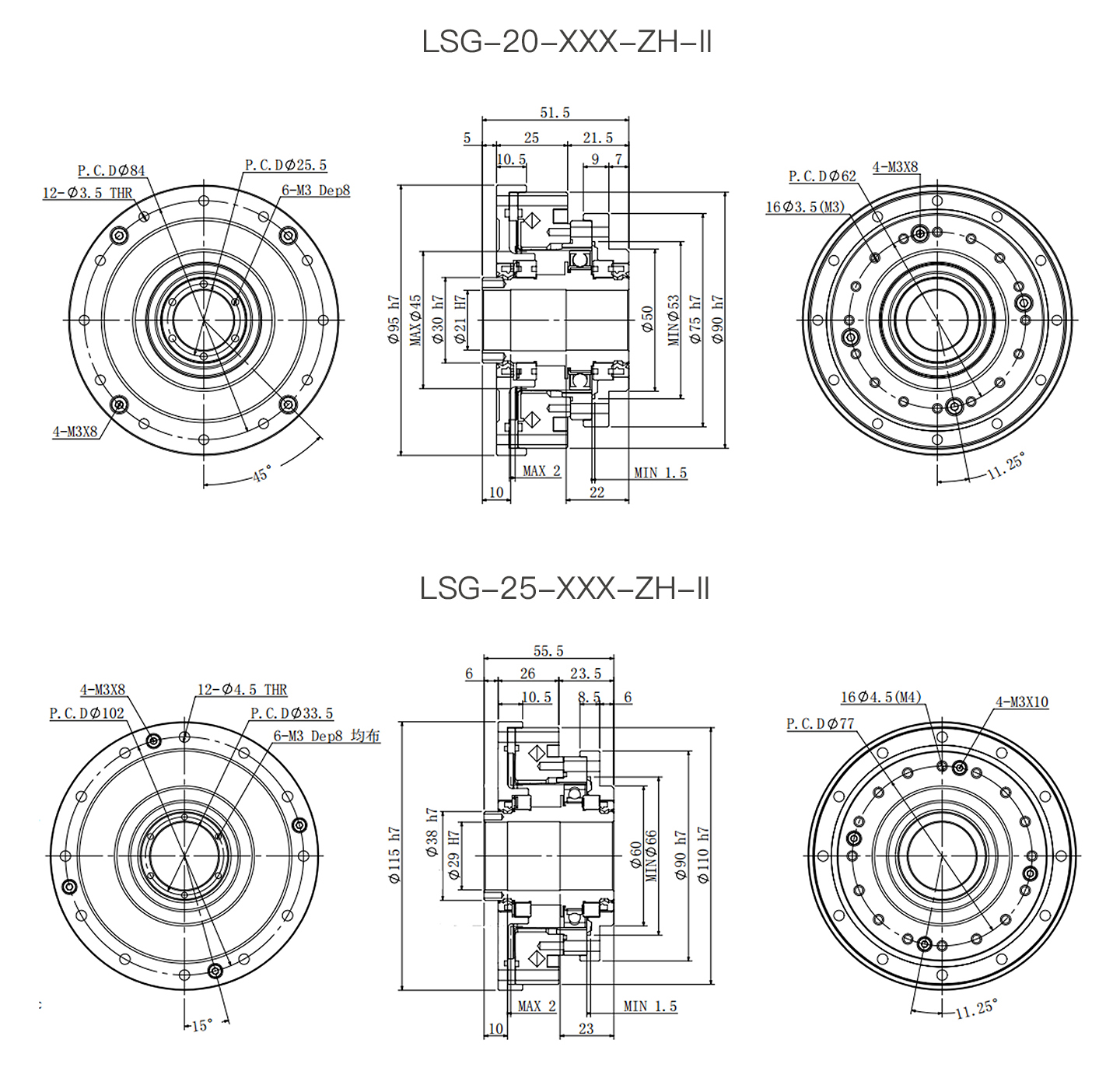
.jpg)
.jpg)
We adopt the world's most advanced sensors, accuracy control within ±3 arcseconds; It can accurately measure the starting torque, transmission accuracy, empty distance, back backlash, torsional stiffness, transmission efficiency, etc., and establish a set of index parameter system for our products. At the same time, to provide reliable guarantee for product delivery quality.


Advantages












| Model | Reduction ratio | Rated speed when input 2000r/min | Allowable peak torque at start stop | Maximum allowable load torque on average | Maximum allowable moment torque | ||||
| Nm | kgfm | Nm | kgfm | Nm | kgfm | Nm | kgfm | ||
| 14 | 50 | 7.0 | 0.7 | 23 | 2.3 | 9.0 | 0.9 | 46 | 4.7 |
| 80 | 10 | 1.0 | 30 | 3.1 | 14 | 1.4 | 61 | 6.2 | |
| 100 | 10 | 1.0 | 36 | 3.7 | 14 | 1.4 | 70 | 7.2 | |
| 17 | 50 | 21 | 2.1 | 44 | 4.5 | 34 | 3.4 | 91 | 9 |
| 80 | 29 | 2.9 | 56 | 5.7 | 35 | 3.6 | 113 | 12 | |
| 100 | 31 | 3.2 | 70 | 7.2 | 51 | 5.2 | 143 | 15 | |
| 120 | 31 | 3.2 | 70 | 7.2 | 51 | 5.2 | 112 | 11 | |
| 20 | 50 | 33 | 3.3 | 73 | 7.4 | 44 | 4.5 | 127 | 13 |
| 80 | 44 | 4.5 | 96 | 9.8 | 61 | 6.2 | 165 | 17 | |
| 100 | 52 | 5.3 | 107 | 10.9 | 64 | 6.5 | 191 | 20 | |
| 120 | 52 | 5.3 | 113 | 11.5 | 64 | 6.5 | 191 | 20 | |
| 160 | 52 | 5.3 | 120 | 12.2 | 64 | 6.5 | 191 | 20 | |
| 25 | 50 | 51 | 5.2 | 127 | 13 | 72 | 7.3 | 242 | 25 |
| 80 | 82 | 8.4 | 178 | 18 | 113 | 12 | 332 | 34 | |
| 100 | 87 | 8.9 | 204 | 21 | 140 | 14 | 369 | 38 | |
| 120 | 87 | 8.9 | 217 | 22 | 140 | 14 | 395 | 40 | |
| 160 | 87 | 8.9 | 229 | 23 | 140 | 14 | 408 | 42 | |
| 32 | 50 | 99 | 10 | 281 | 29 | 140 | 14 | 497 | 51 |
| 80 | 153 | 16 | 395 | 40 | 217 | 22 | 738 | 75 | |
| 100 | 178 | 18 | 433 | 44 | 281 | 29 | 841 | 86 | |
| 120 | 178 | 18 | 459 | 47 | 281 | 29 | 892 | 91 | |
| 160 | 178 | 18 | 484 | 49 | 281 | 29 | 892 | 91 | |
| Model | Reduction ratio | Allowable maximum input speed r/min | Allowable average input speed r/min | Rotational inertia | Back clerance | Angular transmission accuracy | |||
| Lubricating oil | Grease lubrication | Lubricating oil | Grease lubrication | I *10-4kgm² |
J *10-5kgfms² |
arcsec | arcmin | ||
| 14 | 50 | 14000 | 8500 | 6500 | 3500 | 0.033 | 0.034 | 36 | 1.5 |
| 80 | 23 | ||||||||
| 100 | 18 | ||||||||
| 17 | 50 | 10000 | 7300 | 6500 | 3500 | 0.079 | 0.081 | 20 | 1.5 |
| 80 | 13 | ||||||||
| 100 | 10 | ||||||||
| 120 | 8 | ||||||||
| 20 | 50 | 10000 | 6500 | 6500 | 3500 | 0.193 | 0.197 | 17 | 1 |
| 80 | 11 | ||||||||
| 100 | 9 | ||||||||
| 120 | 8 | ||||||||
| 160 | 6 | ||||||||
| 25 | 50 | 7500 | 5600 | 5600 | 3500 | 0.413 | 0.421 | 17 | 1 |
| 80 | 11 | ||||||||
| 100 | 9 | ||||||||
| 120 | 8 | ||||||||
| 160 | 6 | ||||||||
| 32 | 50 | 7000 | 4800 | 4600 | 3500 | 1.69 | 1.72 | 14 | 1 |
| 80 | 9 | ||||||||
| 100 | 7 | ||||||||
| 120 | 6 | ||||||||
| 160 | 5 | ||||||||




