

This joint module is a highly integrated design module, which is the core module of the joint part of the robot, and can quickly realize various applications and functional requirements of the robot.
This joint module is mainly composed of high-performance torque motor, absolute encoder, high precision harmonic reducer, high safety servo driver and brake in one, to meet the needs of users with large torque output, high motion accuracy and high reliability.
Max rated torque: 87NM
Peak Speed : 40RPM
Rated Voltage: 36VDC±10%
Communication: Canopen, EasyCan, Modbus











| Parameter | M4215E 14B50L |
M4215E 14B80L |
M4215E 14B100L |
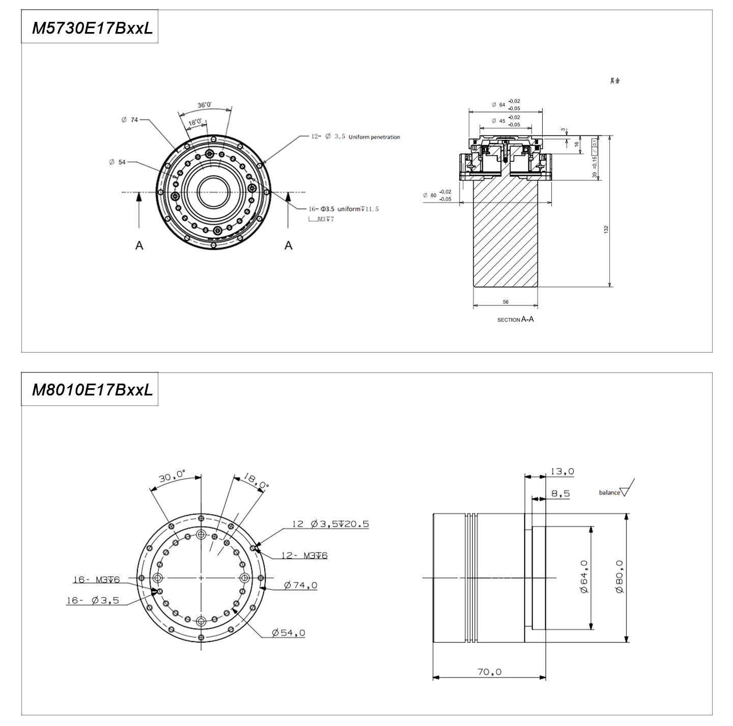
M5730(B) E17B50L |
M5730(B) E17B80L |
M5730(B) E17B100L |
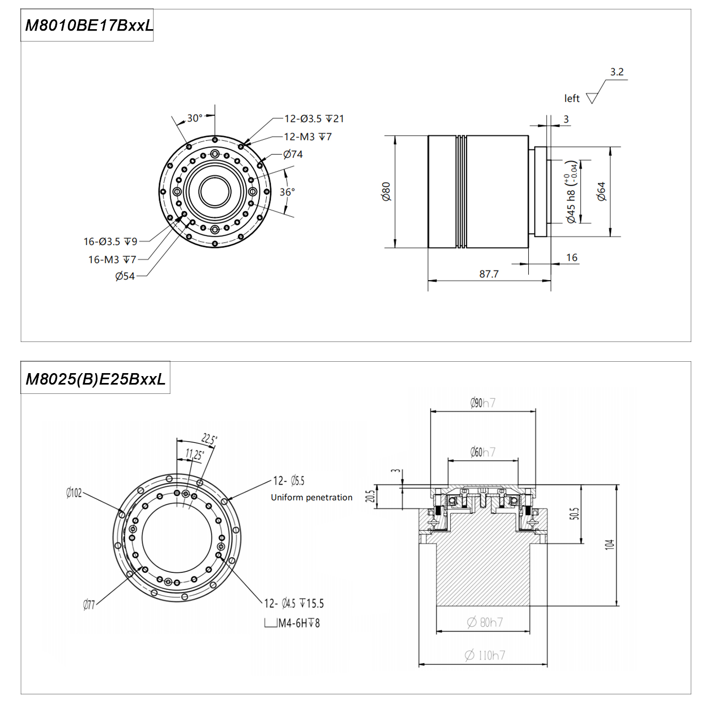
M8010(B) E17B50L |
M8010(B) E17B80L |
M8010(B) E17B100L |
M8025(B) E25B50L |
M8025(B) E25B80L |
M8025(B) E25B100L |
|
| Overall parameter | Motor rated voltage | 36VDC±10% | 36VDC±10% | 36VDC±10% | 36VDC±10% | 36VDC±10% | 36VDC±10% | 36VDC±10% | 36VDC±10% | 36VDC±10% | 36VDC±10% | 36VDC±10% | 36VDC±10% |
| Motor rated current | 2A | 2A | 2A | 3.5 A | 3.5 A | 3.5 A | 3.5A | 3.5A | 3.5A | 7A | 7A | 7A | |
| Output torque after deceleration | 7NM | 10NM | 10NM | 34NM | 35NM | 51NM | 34NM | 35NM | 51NM | 51NM | 85NM | 100NM | |
| Weight | 0.8KG | 0.8KG | 0.8KG | 1KG | 1KG | 1KG | 1KG | 1KG | 1KG | 2.5KG | 2.5KG | 2.5KG | |
| Speed range after deceleration | 0~40RPM | 0~25RPM | 0~20RPM | 0~30RPM | 0~18RPM | 0~15RPM | 0~30RPM | 0~18RPM | 0~15RPM | 0~30RPM | 0~18RPM | 0~10RPM | |
| Reducer parameter | Reduction ratio | 50 | 80 | 100 | 50 | 80 | 100 | 50 | 80 | 100 | 50 | 80 | 100 |
| Rated torque | 7NM | 10NM | 10NM | 21NM | 29NM | 31NM | 34NM | 35NM | 51NM | 51NM | 82NM | 87NM | |
| Peak start-stop torque | 23NM | 30NM | 36NM | 44NM | 56NM | 70NM | 44NM | 56NM | 70NM | 127NM | 178NM | 204NM | |
| Backlash | <10 arc seconds |
<10arc seconds | <10arc seconds |
<20 arc seconds | <20 arc seconds |
<20 arc seconds |
<20 arc seconds | <20 arc seconds | <20 arc seconds |
<20 arc seconds | <20 arc seconds | <20 arc seconds |
|
| Design life | 8500hour | 8500hour | 8500hour | 8500H | 8500H | 8500H | 8500hour | 8500hour | 8500hour | 8500hour | 8500hour | 8500hour | |
| Motor parameter | Torque | 0.5NM | 0.5NM | 0.5NM | 1NM | 1NM | 1NM | 1NM | 1NM | 1NM | 2NM | 2NM | 2NM |
| Rated speed | 1500RPM | 1500RPM | 1500RPM | 1500RPM | 1500RPM | 1500RPM | 1500RPM | 1500RPM | 1500RPM | 1000RPM | 1000RPM | 1000RPM | |
| Maximum rotational speed | 2000RPM | 2000RPM | 2000RPM | 2000RPM | 2000RPM | 2000RPM | 2000RPM | 2000RPM | 2000RPM | 1500RPM | 1500RPM | 1500RPM | |
| Power | 50W | 50W | 50W | 100W | 100W | 100W | 100W | 100W | 100W | 200W | 200W | 200W | |
| Resistance | 2.65 | 2.65 | 2.65 | 0.86 | 0.86 | 0.86 | 0.86 | 0.86 | 0.86 | 0.53 | 0.53 | 0.53 | |
| Inductance | 1.1mh | 1.1mh | 1.1mh | 0.8mh | 0.8mh | 0.8mh | 0.8mh | 0.8mh | 0.8mh | 0.5mh | 0.5mh | 0.5mh | |
| Rotary inertia | 0.9139x10-5 KG/M 2 | 0.9139x10-5 KG/M 2 | 0.9139x10-5 KG/M 2 | 0.69 x 10-4 KG/M2 | 0.69 x 10-4KG/M2 | 0.69 x 10-4KG/M2 | 0.69x10-4 KG/M2 | 0.69x10-4KG/M2 | 0.69x10-4KG/M2 | 1.74x10-4 KG/M2 | 1.74x10-4 KG/M2 | 1.74x10-4 KG/M2 | |
| Feedback signal | Multi-turn absolute encoder (15 bit single-turn and 16 bit multi-turn) | Multi-loop absolute encoder (single-loop 15 bit multi-loop 9 bit) | Multi-turn absolute encoder (15-bit single-turn 16-bit multi-turn) | Multi-loop absolute encoder (15-bit single-turn 16-bit multi-turn) | |||||||||
| Cooling mode | Natural cooling | Natural cooling | Natural cooling | Natural cooling | |||||||||
| Position Control Mode | Maximum input pulse frequency | 500KHz | 500KHz | 500KHz | 500KHz | ||||||||
| Pulse instruction mode | Pulse + direction, A phase +B phase(needs the controller supports AB pulses) | Pulse + direction, A phase +B phase(needs the controller supports AB pulses) | Pulse + direction, A phase +B phase(need controller support AB pulse) | Pulse + direction, A phase +B phase(needs controller support AB pulse) | |||||||||
| Electronic gear ratio | Set up 1~65535 to 1~65535 | Set up ~65535 to 65535 | Set up 1~65535 to 1~ 65535 | Set up 1~65535 to 1~ 65535 | |||||||||
| Location sampling frequency | 2KHZ | 2KHz | 2KHz | 2KHz | |||||||||
| Protection function | Lock-motor alarm, over-current alarm | Over-current alarm | Clock-motor alarm, over current alarm | Clock-motor alarm, over current alarm | |||||||||
| Communication interface | CANBUS/Canopen/Modbus | CANBUS/Canopen/Modbus | CANBUS/Canopen/Modbus | CANBUS/Canopen/Modbus | |||||||||
| Environ ment |
Ambient temperature | 0~40° | 0~40° | 0~40° | 0~40° | ||||||||
| Max. permissible temperature of motor | 85° | 85° | 85° | 85° | |||||||||
| Humidity | 5~95% | 5~95% | 5~95% | 5~95% | |||||||||